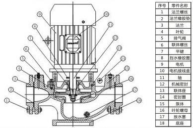
管道泵如何排氣?可以參考立式管道離心泵結構圖,圖⑤中標注的是排氣閥,用來進行排氣。

1.通過氣壓力表來完成氣體排放。
2.在低處進水,在高處出水,利用這種運水方式來排出氣體。
3.使用循環運水來把氣體排出去,具體的操作方法是先在水池中吸水,然后把水運輸一圈后排回水池,反復操作來完成排氣。
4.通過啟用管道泵排氣閥來進行排氣,大部分機型規格的管道離心泵都可通過這種方法進行排氣,如果沒有排氣閥可參考其他方式。
材料擴展:管道泵可以分為臥式管道離心泵和立式管道離心泵。管道離心泵嚴格選材,泵體部分采用高品質鑄鐵和不銹鋼等材質,密封和電機部分選擇的是有質量保障的離心泵廠家。選型時,可以根據使用液體來選擇合適的管道泵泵體材料。按照使用環境可選配普通電機、防爆電機、戶外電機、變頻電機等各種規格電機。管道泵可以單獨安裝使用,也可以根據實際使用的性能要求串聯或是并聯安裝使用。為適應介質溫度,管道泵有高溫型或是低溫型供您選擇,適用于石油、化工、冶金、電力、造紙、食品制藥和合成纖維等行業。目前管道泵被大量應用于各種工業和城市水務系統,例如高層建筑增壓送水、園林噴灌、消防增壓、遠距離輸送、暖通制冷循環、浴室等場合使用。推薦閱讀離心泵結構組成圖解
管道泵的排氣方法是在注水孔有個蓋子,拔掉后可以用來排氣。



